Specifications
| Characteristics |
Parameter |
| Quality Grade |
Military Products(Ⓙ) |
| Operating Temperature |
-55°C ~ 80°C |
| Thermal Shock |
-55°C ~ 80°C, Insulate for 1 hour at extreme temperature, 3 cycles |
| High Temperature Test |
Storage: 80°C, 48 h; Working: 80°C, 2 h |
| Low Temperature Test |
Storage: -55°C, 24 h; Working: -55°C, 2 h |
| Constant Damp Heat Test |
40°C ± 5°C, relative humidity 92% ~ 98%, 48 h |
| Thermal Cycling |
-55°C ~ 80°C, Insulate for 5 hours at extreme temperature, 25.5 cycles |
| Thermal Vacuum |
≤ 6.65X10-3 pa, -55°C ~ 80°C, Insulate for 5 hours at extreme temperature, 6.5 cycles |
| Random Vibration |
20 Hz ~ 50 Hz |
50 Hz ~ 100 Hz |
100 Hz ~ 1000 Hz |
1000 Hz ~ 2000 Hz |
Root Mean Square Acceleration |
| 9 (m/s2)2/Hz |
+4 dB/Oct |
22.5 (m/s2)2/Hz |
-6 dB/Oct |
180 m/s2 |
| Shock |
45000 m/s2 |
| Overload |
70 m/s2 |
| Circuitry |
SPDT |
| Weight |
≤ 240 g |
| Connection Types |
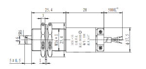
3 Core Shielded Cable |
| NC Off Travel |
1.5 mm ± 0.4 mm |
| NO On Travel |
2.50 -0.4mm |
| Total Travel |
5 mm ± 0.5 mm |
| Force at 4mm Travel |
≥ 40 N,≤ 60 N |
| Total Travel Force |
≥ 40 N,≤ 70 N |
| Cable Length |
5000 mm |
| Life |
5000 cycles |
Electrical Ratings
| Contact Rating |
1 A, 28 Vd.c. |
| Contact Resistance
(Including resistance of cable) |
≤ 0.88 Ω |
| Insulation Resistance |
≥ 1000 MΩ |
| Dielectric Withstanding Voltage |
500 Vr.m.s. |
Dimension
|
Circuit Diagram
|
 |
 |
Order Mark
| 1KX1-1G |
Ⓙ |
| Part Number |
Quality Grade |
Technical specification: RY3.604.136JT